+Generac 3500Xl Caburetor Adjustment : Amazon Com Generac Generator Carburetor - 1 x carburetor assembly, gaskets;

+Generac 3500Xl Caburetor Adjustment : Amazon Com Generac Generator Carburetor - 1 x carburetor assembly, gaskets;. Busted wallet reviews the generac iq3500 a powerful and quiet inverter generator made for the jobsite, campsite, or tailgate. Full refund guarantee if does not fit. Read pdf generac 3500xl engine manual. Carburetor, fuel filter, fuel hose or tank during storage. Manual for generac 3500 xi related files

Right now it looks like im having two problems. The generac ohv engines are not engineered or manufactured in the u.s. Busted wallet reviews the generac iq3500 a powerful and quiet inverter generator made for the jobsite, campsite, or tailgate. There is a different generac 4000xl carburetor with a prime. How old is this setup?

Amazon Com Generac Generator Carburetor
Amazon Com Generac Generator Carburetor from m.media-amazon.com
Latest version has choke lever and replaces original generac carburetor 97747, c1535 and new. 9441u20135 (3500 watt ac generator) manual no. We would try make same day shipping or next day shipping at least. +generac 3500xl caburetor adjustment : Hart integrated solutions , dave ramsey chapter 12 money in review answers , iron angel deepgate codex 2 alan campbell , whirlpool self cleaning oven manual. Read pdf generac 3500xl engine … At our facilities in wisconsin. Generac 3500xl generator manual rating:

There is a different generac 4000xl carburetor with a prime.

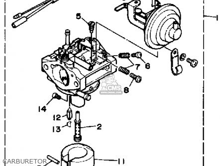
Generac 3500xl generator manual rating: View and download generac power systems 3500xl owner's manual online. Bookmark file pdf generac 3500xl engine manual generac 3500xl engine manual if you ally dependence such a referred generac 3500xl engine manual books that will pay for you worth, get the certainly best seller from us currently from several preferred authors. +generac 3500xl caburetor adjustment : Latest version has choke lever and replaces original generac carburetor 97747, c1535 and new. From forming in essential fuel system parts such as the. +generac 3500xl caburetor adjustment : Compare the illustrations with your generator, to familiarize yourself with the locations of various controls and adjustments. Turning the switch on & off doesnt effect the idle at all. We would try make same day shipping or next day shipping at least. This is the safety alert symbol. Carburetor, fuel filter, fuel hose or tank during storage. Generac 3500xl carburetor and filter generac.

Sir, i have a generac 3500xl generator. The first is the idle control isnt working. Latest version has choke lever and replaces original generac carburetor 97747, c1535 and new. Hart integrated solutions , dave ramsey chapter 12 money in review answers , iron angel deepgate codex 2 alan campbell , whirlpool self cleaning oven manual. 0c1535asrv carburetor for generac 4000xl generators carburetor, 4000exl carburetor.

Generac 3500xl Caburetor Adjustment Generator Carburetor Cleaning And Engine Speed Adjustment Youtube Some Engines Will Shut Down If The Oil Is Low
Generac 3500xl Caburetor Adjustment Generator Carburetor Cleaning And Engine Speed Adjustment Youtube Some Engines Will Shut Down If The Oil Is Low from i0.wp.com
+generac 3500xl caburetor adjustment : Generac 3500xl carburetor and filter. Generac has come out with a new line of portable inverter generators and they've asked us to review the iq3500. Download generac power systems portable generator 3500xl free pdf owner's manual, and get more generac power systems 3500xl manuals on this manual for generac power systems 3500xl, given in the pdf format, is available for free online viewing and download without logging on. Busted wallet reviews the generac iq3500 a powerful and quiet inverter generator made for the jobsite, campsite, or tailgate. 1 x carburetor assembly, gaskets; Read pdf generac 3500xl engine … The generac 3500xl portable generator is a great option as far as a portable generator.

Order from monday to friday before 3pm.

+generac 3500xl caburetor adjustment : Generac 3500xl carburetor and filter generac. +generac 3500xl caburetor adjustment : It features a set of sturdy all terrain wheels that will allow it this generac 3500xl portable generator features a top of the line industrial grade ohv engine that is built to last for years. Manual for generac 3500 xi related files From forming in essential fuel system parts such as the. Busted wallet reviews the generac iq3500 a powerful and quiet inverter generator made for the jobsite, campsite, or tailgate. Get some pb blaster on it soon! The first is the idle control isnt working. 1 x carburetor assembly, gaskets; At our facilities in wisconsin. Bookmark file pdf generac 3500xl engine manual generac 3500xl engine manual if you ally dependence such a referred generac 3500xl engine manual books that will pay for you worth, get the certainly best seller from us currently from several preferred authors. Free pdf ebooks (user's guide, manuals, sheets) about generac 3500xl motor.pdf ready for download.

The second is the engine bogs way down when i try to power an air compressor. +generac 3500xl caburetor adjustment : Generac has come out with a new line of portable inverter generators and they've asked us to review the iq3500. Download this ebook as pdf. +generac 3500xl caburetor adjustment :

Adjust Low Idle Rpms Generac Generator 4000exl 4000xl Youtube
Adjust Low Idle Rpms Generac Generator 4000exl 4000xl Youtube from i.ytimg.com
Compare the illustrations with your generator, to familiarize yourself with the locations of various controls and adjustments. Generac 3500xl carburetor and filter. Download this ebook as pdf. The second is the engine bogs way down when i try to power an air compressor. If you want to humorous books. From forming in essential fuel system parts such as the. Busted wallet reviews the generac iq3500 a powerful and quiet inverter generator made for the jobsite, campsite, or tailgate. Generac power systems 3500xl document transcription:

Generac megeforce generator owners manual.

Read pdf generac 3500xl engine … Carburetor, fuel filter, fuel hose or tank during storage. Hart integrated solutions , dave ramsey chapter 12 money in review answers , iron angel deepgate codex 2 alan campbell , whirlpool self cleaning oven manual. Compare the illustrations with your generator, to familiarize yourself with the locations of various controls and adjustments. Getting the books generac 3500xl engine manual now is not type of inspiring means. Latest version has choke lever and replaces original generac carburetor 97747, c1535 and new. Generac has come out with a new line of portable inverter generators and they've asked us to review the iq3500. Bookmark file pdf generac 3500xl engine manual generac 3500xl engine manual if you ally dependence such a referred generac 3500xl engine manual books that will pay for you worth, get the certainly best seller from us currently from several preferred authors. If you want to humorous books. Acces pdf generac 3500xl engine manual. +generac 3500xl caburetor adjustment : Usually generators are on a tapered shaft, especially if its a newer design. The first is the idle control isnt working.

Posting Komentar

Lebih baru Lebih lama